本次为大家共享的图集是【12G901-3:混凝土结构施工钢筋排布规则与构造详图(独立基础、条形基础、筏形基础、桩基承台)】,替代原09G901-3,实施日期为2012年11月1日。
new-coyis
内容简介
12G901-3《混凝土结构施工钢筋排布规则与构造详图(独立基础、条形基础、筏形基础、桩基承台)》国家建筑标准设计图集是对11G101-3《混凝土结构施工图平面整体表示方法制图规则和构造详图(独立基础、条形基础、筏形基础及桩基承台)》图集构造内容、施工时钢筋排布构造的深化设计。图集可指导施工人员进行钢筋施工排布设计、钢筋翻样计算和现场安装绑扎,确保施工时钢筋排布规范有序,使实际施工建造满足规范规定和设计要求,并可辅助设计人员进行合理的构造方案选择,实现设计构造与施工建造的有机衔接,全面保证工程设计与施工质量。
此书是研究钢筋的各位专家给我们做钢筋、学习钢筋的人最好的礼物,此书相当于11系列的解释和升华,在09系列的基础上有了很大提高和进步,更加综合、全面此书与现行的混凝土结构设计规范同步、配合,对11系列及09系列的相关问题进一步阐述、改进,使钢筋的设计和施工领域结合的更加紧密,使两者都有据可依。更加贴近施工,使施工的每个步骤都能有法可依,先前的书我总感觉不能完全解释施工现场的问题,从96系列、03系列、04系列、06系列、08系列、09系列一路走来,书的思路越来越清晰,书的结构体系越来越严谨,感觉特棒!体现了国家在钢筋技术方面的进步。此书和11系列可以说是我们施工、设计的工程人员的宝典。
规范目录
目录 1
编制说明 4
一般构造要求
混凝土保护层厚度及混凝土结构的环境类别 1-1
钢筋的锚固与连接 1-2
钢筋的弯钩和弯折 1-4
箍筋、拉筋弯钩构造及纵向钢筋绑扎搭接横截面钢筋排布 1-5
纵向钢筋的间距 1-6
柱插筋在基础中的锚固 1-7
墙插筋在基础中的锚固 1-11
基础梁横截面箍筋安装绑扎位置要求 1-13
基础梁横截面纵向钢筋与箍筋排布构造 1-14
独立基础
独立基础DJJ、DJP、BJJ、BJP底板钢筋排布构造 2-1
双柱普通独立基础底部与顶部钢筋排布构造 2-2
设置基础梁的双柱普通独立基础钢筋排布构造 2-3
独立基础底板配筋长度减短10%的钢筋排布构造 2-4
杯口独立基础BJJ、BJP钢筋排布构造 2-5
双杯口独立基础BJJ、BJP钢筋排布构造 2-6
高杯口独立基础BJJ、BJP钢筋排布构造 2-7
高双杯口独立基础BJJ、BJP钢筋排布构造 2-8
单柱普通独立深基础短柱钢筋排布构造 2-10
双柱普通独立深基础短柱钢筋排布构造 2-11
条形基础和筏形基础
墙下条形基础底板受力钢筋的排布构造 3-1
梁式条形基础底板受力钢筋的排布构造 3-3
条形基础底板不平时底板钢筋的排布构造 3-5
基础梁纵向钢筋连接位置 3-8
基础梁箍筋、拉筋沿梁纵向排布构造 3-10
基础梁纵筋搭接区箍筋排布构造 3-11
基础梁JL端部外伸部位钢筋排布构造 3-12
基础梁JL端部无外伸的钢筋排布构造 3-13
基础次梁JCL端部外伸部位钢筋排布构造 3-16
基础次梁JCL端部无外伸的钢筋排布构造 3-17
基础梁顶平和底平时钢筋排布构造 3-18
基础梁仅梁顶有高差时钢筋排布构造 3-19
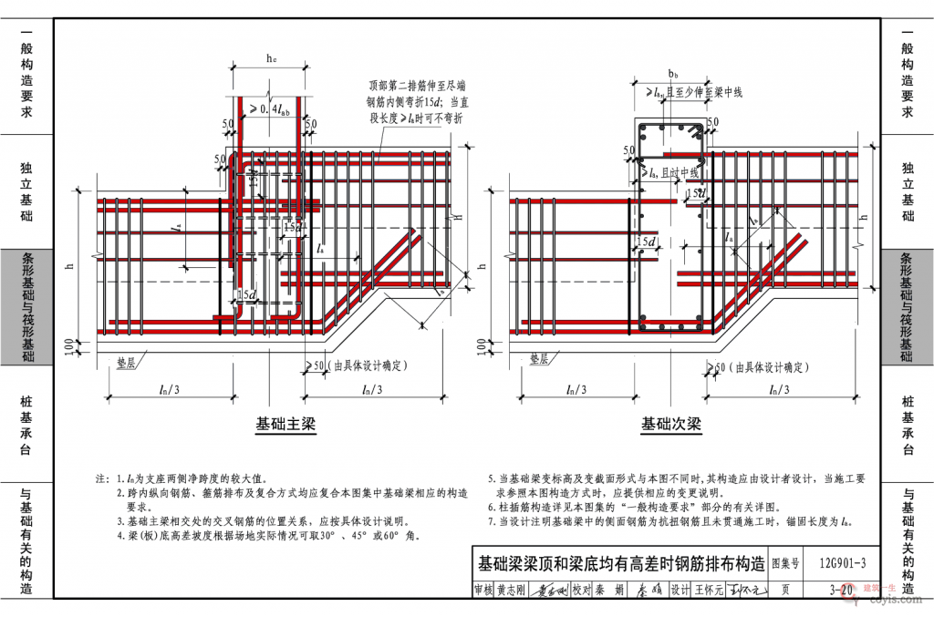
基础梁梁顶和梁底均有高差时钢筋排布构造 3-20
基础梁梁底有高差时钢筋排布构造 3-21
支座两侧基础梁宽度不同时钢筋排布构造 3-22
基础主梁与柱结合部侧腋钢筋排布构造 3-23
基础主梁梁高加腋钢筋排布构造 3-26
基础次梁梁高加腋钢筋排布构造 3-28
基础主梁与基础次梁相交处附加横向钢筋排布构造 3-30
基础梁相交区域箍筋排布构造 3-31
梁板式筏形基础底板钢筋的连接位置 3-32
梁板式筏形基础底板纵向钢筋排布构造 3-33
梁板式筏形基础平板外伸端部钢筋排布构造 3-35
梁板式筏形基础平板无外伸端部及平板变截面部位钢筋排布构造 3-36
梁板式筏形基础平板变截面部位钢筋排布构造 3-37
柱下板带ZXB和跨中板带KZB钢筋排布构造 3-38
平板式筏形基础平板BPB钢筋排布构造 3-39
平板式筏形基础平板(ZXD、KZD、BPB)外伸部位钢筋排布构造 3-40
平板式筏形基础平板(ZXD、KZD、BPB)无外伸边缘及平板顶面不平时的钢筋排布构造 3-41
平板式筏形基础平板(ZXD、KZD、BPB)底不平及顶、底均不平时的钢筋排布构造 3-42
平板式筏形基础平板(ZXD、KZD、BPB)封边钢筋排布构造 3-43
桩基承台
矩形承台阶形截面CTJ底板钢筋排布构造 4-1
矩形承台单阶截面CTJ底板钢筋排布构造 4-2
矩形承台坡形截面CTP底板钢筋排布构造 4-3
等边三桩承台CTJ钢筋排布构造 4-4
等腰三桩承台CTJ钢筋排布构造 4-5
六边形承台CTJ钢筋排布构造 4-6
单排桩承台梁CTL钢筋排布构造 4-9
双排桩承台梁CTL钢筋排布构造 4-10
桩在承台、筏板内的连接构造 4-11
与基础有关的构造
基础联系梁JLL纵筋排布构造 5-1
基础联系梁与相关联框架柱箍筋排布构造 5-2
基础联系梁与基础以上框架柱箍筋排布构造、基础联系梁上部纵筋搭接连接位置和箍筋加密构造 5-3
基础底板后浇带HJD钢筋排布构造 5-4
基坑JK的钢筋排布构造 5-6
棱台(柱)状上柱墩SZD钢筋排布构造 5-7
基础平板下倒棱台形柱墩XZD钢筋排布构造 5-8
基础下柱墩XZD钢筋排布构造 5-9
防水底板JB与各类基础的连接构造 5-10
基础顶面在防水板内时的基础连接构造单跨且无外伸或悬挑的基础连梁JLLxx(1)钢筋排布构造 5-11
下载地址
本文附件下载地址
验证码获取教程(如您不知如何操作,请点击)
















