上一篇
下一篇
Δ
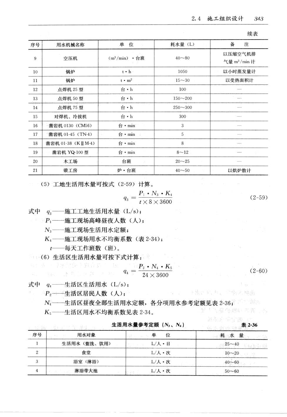
临时用水计算——施工手册第五版
2026-02-18
临建工程施工方案(小区、住宅楼)P26
2023-10-12
现场临建施工方案
2023-03-13
施工现场临建设施标准化做法汇报,80页PPT下载
2021-11-22
碧桂园施工现场洗车槽 CAD图纸 2种
2021-10-21
建筑施工质量样板展示区施工方案
2021-04-28
临时用地复垦方案
2021-04-09
安全交底丨大临时设施施工作业安全技术交底
2020-12-01
本站公众号
建工计算器