

资料名称:《楼宇自控系统组成及设计》 文件格式:PDF 资料目录 一、智能建筑概述 二、楼宇自控的发展史 三、楼宇自控系统 四、楼宇自控子系统 五、系统组成 六...

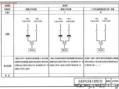
规范/图集名称:《(GJBT-471)97X700(下)智能建筑弱电工程设计施工图集 下册》 实施日期:1998年4月16日 被替标准号:新编图集 本站相关规范...


本规范是根据建设部建设技函[2001]002 号文件《关于成立编写工作领导小组和编写工作组的通知》的要求,由清华同方股份有限公司会同其他参编单位组成规范编写组编...
本站公众号

建工计算器

