竣工图章样式及要求
根据规范《GB/T50328-2014 建设工程文件归档规范(2019年局部修订)》第4.2.8条要求:
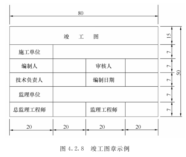
所有竣工图均应加盖竣工图章(样式如下图4.2.8),并应符合下列规范:
1、竣工图章的基本内容应包括:“竣工图”字样、施工单位、编制人、审核人、技术负责人、编制日期、监理单位、现场监理、总监。
2、竣工图章尺寸应为:50mm×80mm
3、竣工图章应使用不易褪色的印泥,应盖在图标栏上方空白处。
竣工图绘制与改绘要求
根据规范《GB/T50328-2014 建设工程文件归档规范(2019年局部修订)》第4.2.9条要求:
竣工图的绘制与改绘应符合国家现行有关制图标准的规定。
《GB/T50328-2014 建设工程文件归档规范(2019年局部修订)》条文说明 第4.2.2条 规定:
4.2.2监理文件按 现行国家标准《建设工程监理规范》GB/T50319编制;
建筑工程文件按现行行业标准《建筑工程资料管理规范》JGJ/T 185的要求编制;
市政工程施工技术文件及其竣工验收文件按照原建设部印发的《市政工程施工技术资料管理规定》(建城[2002]221号)编制。
竣工图的编制应按原国家建委1982年[建发施字50号]《关于编制基本建设竣工图的几项暂行规定》执行。
地下管线工程竣工图的编制,应按现行行业标准《城市地下管线探测技术规程》CJJ 61中的有关规定执行。
最后,小编有个疑问:新晒的图是否需要重新加盖设计院出图章和图审单位图审章?有了解的朋友可以回复、讨论!
各地网友回复如下:
1、可能不同地方要求不一样,本地档案馆的要求竣工图要有设计院的出图章,即竣工图是在设计院盖有出图章的基础上补充或修改后再盖”竣工图章“。
2、竣工图都是施工单位绘制,都是盖施工单位的章,盖设计院的章除非是变更图纸。
竣工图都是需要归档到城建档案馆,建议大家咨询当地城建档案馆对接人员。








![国家基本建设委员会关于编制基本建设工程竣工图的几项暂行规定丨1982年[建发施字50号]](https://source.coyis.com/wp-content/uploads/2023/03/1678612519-QQ%E6%88%AA%E5%9B%BE20230312171457.png?x-oss-process=image/format,webp/quality,Q_100)





