- 图集名称:《23G523-1:型钢混凝土组合结构构造》
- 实施日期:2023年10月1日
- 被替标准号:替代04SG523
- 图集分类:型钢图集、混凝土图集
一、内容简介
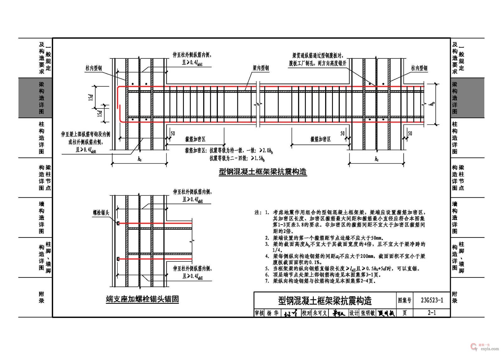
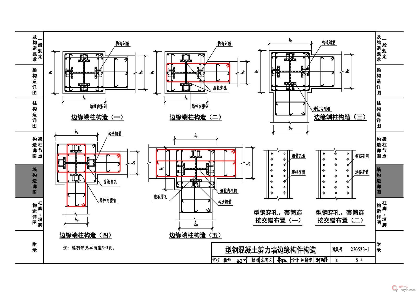
本图集是对04SG523《型钢混凝土组合结构构造》的修编。本次修编依据《组合结构通用规范》GB 55004-2021、《组合结构设计规范》JGJ 138-2016等国家现行标准规范的相关内容,并结合近年来国内外相关科研成果及工程应用的实际情况,对图集原有内容进行了全面的整合与修订。主要修编内容包括:调整了材料、保护层厚度要求等;增加了钢板混凝土剪力墙和带斜撑混凝土剪力墙构造、型钢混凝土连梁和暗梁构造、钢筋与型钢连接构造、型钢混凝土转换梁上托柱构造等内容;补充完善了型钢混凝土柱与钢筋混凝土梁的连接节点构造、型钢混凝土柱的柱脚构造等内容。
本图集适用于抗震设防烈度为6度~9度地区的多、高层建筑和一般构筑物的型钢混凝土构件及其连接节点的设计与施工。型钢混凝土构件可用于全部采用型钢混凝土构件的组合结构,也可用于部分采用型钢混凝土构件的混合结构和钢筋混凝土结构。
本图集包括型钢混凝土梁、柱、剪力墙等组合结构构件及其相关连接节点的构造,可供设计、施工、监理等人员使用。
二、图集预览
三、下载地址
本文附件下载地址
提取码,获取方式如下
验证码获取教程(如您不知如何操作,请点击)
声明:建筑一生网提供的所有资料均来自互联网下载,纯属学习交流。如侵犯您的版权请联系我们,我们会尽快整改。请网友下载后24小时内删除!
联系方式:发送邮件至 coyis@qq.com



















