规范引用
A.2.3 天然地基验槽前应在基坑或基槽普遍进行轻型动力触探检验,检验数据作为验槽依据。轻型动力触探应检查下列内容:
(1)持力层强度和均匀性;
(2)浅埋软弱下卧层或浅埋突出鄞硬层;
(3)浅埋的会影响地基承载力或基础稳定的古井、墓穴和空洞;
(4)轻型动力触探宜采用机械自动化实施,检验完毕后,触探孔位处应灌砂填实。
A.2.4 采用轻型动力触探进行基槽检验时,检验深度及间距应按表A.2.4执行。
A.2.5 遇到下列情况之一时,可不进行轻型动力触探:
(1)承压水头可能高于基坑底面标高,触探可造成冒水涌砂时,基础持力层为砾石层或卵石层,且基底以下砾石层或卵石层厚度大于1m时;
(2)基础持力层为均匀、密实砂层,且基底以下厚度大于1.5m时。
轻型动力触探检验
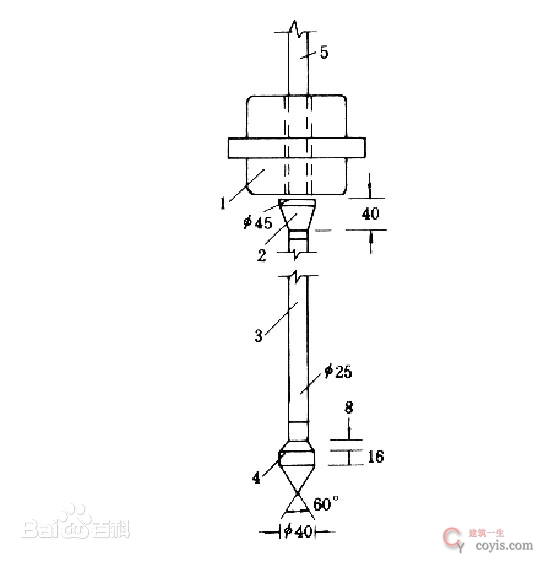
轻型动力触探是工程力学领域的原位测试技术,采用10kg穿心锤以50cm自由落距将锥角60°、底面积12.6cm²的圆锥探头贯入土层,通过贯入30cm所需锤击数N10评估地基土工程性质。
该技术适用于砂土、粘性土、人工填土及松散碎石土层,主要检测浅基础地基承载力、变形模量和基底软层分布,最大贯入深度通常小于4米。试验时需保持触探架垂直安装,连续记录每贯入10cm的锤击数,绘制N10-h曲线进行土层分层分析。地基承载力计算需依据《建筑地基基础设计规范》剔除异常值并进行统计修正,部分区域建立经验公式如长沙粘性土fNk=25+4.18N10(kPa)。















