一、真题及解析
一、单选题(共20题,每题1分。每题的备选项中,只有1个最符合题意)
1、 紧密型母线槽适合用在( )。
A.高层建筑中垂直配电
B.图书馆自阅览室配电
C.湿的地下隧道输电
D.温的治炼车间的配电
答案:A
2、 与水准测量和三角高程测量相比,气压高程测量的特点是( )。
A.测量精度较高
B.测量方便
C.测量设备复杂
D.经济性差
答案:B
3、 下列气体中,既可作为气割助燃气体,又能作为焊接保护气体的是( )。
A.O2
B.H2
C.N2
D.C2H2
答案:A
解析:焊接气体分类:
①气焊、切割用气体:助燃气体(O₂ );可燃气体:乙炔、丙烷、石油气、天然气等。
②焊接保护用气体:二氧化碳(CO₂ )、氩气(Ar)、氦气(He)、氮气(N₂ )、氧气(O₂ )和氢气(H₂ )。
4、 额定电压为380V 电动机的绝缘电阻测试后应抽查的数量为( )。
A.5%
B.10%
C.20%
D.50%
答案:D
解析:1kV以下电动机的绝缘电阻值不应小于0.5MΩ,抽查的数量为50%。
5、 下列空调系统管道中,需要进行真空试验的是( )。
A.冷冻水管道
B.冷却水管道
C.制冷剂管道
D.冷凝水管道
答案:C
解析:制冷剂管道系统安装完毕,外观检查合格后,应进行系统管路强度、气密性试验、真空试验和充注制冷剂检漏试验
6、 密度继电器与设备本体六氟化硫气体管道连接的作用是( )。
A.便于校验
B.保证密封
C.防止爆裂
D.防止泄露
答案:A
解析:密度继电器与设备本体六氟化硫气体管道的连接,应满足可与设备本体管路系统隔离,以便对密度继电器进行校验。
7、 入侵报警系统中的被动型红外探测器( )。
A.可对着灯光的方向安装
B.不能安装在易振动物体上
C.能对着空调出风口安装
D.安装高度通常为1.5-1.8m
答案:B
解析:被动红外探测器安装应该充分注意探测背景的红外辐射情况。应避免安装在有运动的物体上,不能对着发热体的灯泡、火炉、冰箱散热器、空调器的出风口,且不能安装在容易振动的物体上,宜安装在墙面或墙角,安装高度通常为2.2~2.7m。
8、 关于锅炉水试验压力的说法错误的是( )。
A.工作压力为0.9mpa 的锅炉本体,试验压力为1.2mpa
B.工作压力为1.2mpa 的锅炉本体,试验压力为1.5mpa
C.工作压力为0.6mpa 可分式省煤器,试验压力为1.2mpa
D.工作压力为0.8mpa 可分式省煤器,试验上重新测1.5mpa
答案:C
解析:
9、 下列计量器具,属于A 类计量器具的是( )。
A.示波器
B.万能材料试验机
C.采样器
D.标准电信号发生器
答案:C
10、 电力线路设施的保护范围不包括( )。
A.避雷针
B.接地装置
C.绝缘子
D.计量装置
答案:D
解析:电力线路设施保护范围包括架空电力线路的杆塔、基础、拉线、接地装置、导线、避雷针、金具、绝缘子、登杆塔的爬梯和脚钉,以及导线跨越航道的保护设施、巡线站和保线站,巡视检修专用道路、船舶和桥梁、标志牌及辅助设施等。线路相关设施保护范围包括电力线路上的变压器、电容器、断路器、刀闸、避雷器、互感器、熔断器、计量仪表装置、配电室、箱式变电站及辅助设施等。
D 选项属于线路相关设施保护范围。
11、 下列设备中,不属于自动扶梯主动传动系统的是( )。
A.电动机
B.张紧装置
C.制动器
D.减速装置
答案:B
解析:自动扶梯主要部件有梯级、牵引链条及链轮、导轨系统、主传动系统(包括电动机、减速装置、制动器及中间传动环节等)、驱动主轴、张紧装置、扶手系统、上下盖板、梳齿板、扶梯骨架、安全装置和电气系统等。
12、 下列起重机中,属于桥架型起重机的是( )。
A.塔式起重机
B.半门式起重机
C.流动式起重机
D.半门座式起重机
答案:B
解析:桥架型起重机类别主要有:梁式起重机、桥式起重机、门式起重机、半门式起重机、装卸桥等。
13、 可以进行相应级别的压力容器改造及重大修理的单位是( )。
A.具有锅炉安装资格的单位
B.取得压力容器制造许可的单位
C.具有压力管道安装资格的单位
D.具备压力容器制造能力的单位
答案:B
解析:压力容器改造和重大修理由取得相应级别制造许可的单位进行,不单独进行许可。
14、 形状不规则的小面积金属表面防腐施工宜采用( )。
A.刷涂法施工
B.空气喷涂法施工
C.滚涂法施工
D.高压无气喷涂法施工
答案:A
解析:刷涂法是一种最简单的手工涂装方法。采用刷涂法施工的主要优点:漆膜渗透性强,可以深入到细孔、缝隙中;工具简单,投资少,操作容易,适应性强;对工件形状要求不严,节省涂料等。缺点:该施工方法劳动强度大,生产效率低,涂膜易产生刷痕,外观欠佳。因此,刷涂法常用于小面积涂装。
15、 在室外可以进行设备绝热层喷涂施工的气象条件是( )。
A.低温环境
B.酷暑环境
C.雾天环境
D.雨天环境
答案:A
解析:在风力大于三级、酷暑、雾天或雨天环境下,不宜进行室外喷涂施工。
16、 下图是变频器的一次系统,图中1 是( )。(注:图片暂缺)

A.整洗单元
B.滤波单元
C.逆变单元
D.控制单元
答案:D
解析:变频器:整流单元、滤波单元、逆变单元、控制单元四部分。通过变频器改变电源的电压和频率,调整电动机的运行速度,实现无级调速。(郑律你空)
逆变器由逆变电路、逻辑控制电路、滤波电路三大部分组成。(泥萝卜)
17、 有热位移的管道值为( )。
A.1/5
B.1/4
C.1/3
D.1/2
答案:D
解析:无热位移的管道,其吊杆应垂直安装。有热位移的管道,吊点应于位移的相反方向偏置,设计文件无规定时,按位移值的1/2 偏位安装。
18、 泡沫灭火系统应进行盛水试验的是( )。
A.泡沫液储罐
B.泡沫比例混合器
C.泡沫产生装置
D.泡沫消防输送泵
答案:A
解析:常压钢质泡沫液储罐应进行盛水试验,试验压力应为储罐装满水后的静压力。
19、 下列关于仪表管道施工的一般规定说法错误的是( )。
A.直接埋地的管道连接必须采用焊接
B.不锈钢管与碳钢支架间宜加设隔离垫
C.钢管仪表管道水平支架间距为2~3m
D.高压钢管的弯曲半径宜大于管子外径的5倍
答案:C
解析:仪表管道支架间距:钢管水平安装时宜为1.00~1.50m,垂直安装时宜为1.50~2.00m;铜管、铝管、塑料管及管缆水平安装时宜为0.50~0.70m,垂直安装时宜为0.70~1.00m。
20、 润滑与加油按润滑剂的加油方式分为( )。
A.分散润滑与集中润滑
B.部分润滑与整体润滑
C.连续润滑与间歇润滑
D.循环润滑与全损耗润滑
答案:A
解析:按润滑剂加注方式,分为分散润滑和集中润滑。
(1)分散润滑通常由人工方式加注润滑剂,设备试运行前对各润滑点进行仔细检查清洗保证润滑部位洁净,润滑剂选用按设计和用户要求确定,加注量适当。
(2)集中润滑通常由润滑站、管路及附件组成润滑系统,通过管道输送定量的有压力的润滑剂到各润滑点。
二、多选题(共10题,每题2分,每题的备选项中,有2个或2个以上符合题意,至少有1 个错项。错选,本题不得分;少选,所选的每个选项0.5分)
21、 施工项目成本分析一般包括
A.人工费分析
B.材料费分析
C.机械费分析
D.措施费分析
E.管理费分析
答案:ABE
22、 下列工作职责中,属于项目施工总承包方的职责有( )。
A.向分包人提供具备施工条件的施工场地
B.向分包人进行设计图纸及施工技术交底
C.向分包人提供各种施工机具和施工方案
D.向分包人提供与分包工程相关技术培训
E.协调分包人与其他施工人员的交叉配合
答案:AE
解析:项目施工总承包单位的工作
(1)向分包人提供与分包工程相关的各种证件、批件和各种相关资料,向分包人提供具备施工条件的施工场地。
(2)组织分包人参加图纸会审,向分包人进行设计图纸交底。
(3)提供本合同专用条款中约定的设备和设施;为分包人提供施工所要求的场地和通道等。
(4)负责施工场地的管理工作,协调分包人与同一施工场地的其他施工人员之间的交叉配合,确保分包人按照经批准的施工组织设计进行施工。
23、 下列应急预案的内容中,属于专项应急预案的内容有( )。
A.处置程序和措施
B.应急预案体系
C.应急指挥机构与职责
D.应急预案管理
E.应急组织机构与职责
答案:AC
解析:应急预案的主要内容
(1)综合应急预案应当规定应急组织机构及其职责、应急预案体系、事故风险描述、预警及信息报告、应急响应、保障措施、应急预案管理等内容。
(2)专项应急预案应当规定应急指挥机构与职责、处置程序和措施等内容。
(3)现场处置方案应当规定应急工作职责、应急处置措施和注意事项等内容。
24、 高炉炉壳安装的方法可采用
A.上部正装下部倒装法
B.正装法
C.线外拼装整体滑移法
D.倒装法
E.上部倒装下部正装法
答案:BCDE
解析:高炉炉壳的安装可采用正装法、倒装法、上部倒装和下部正装法、线外拼装整体滑移法等安装工艺
25、 根据《板带轧钢工艺设计规范》要求,中厚板生产应采用的有( )。
A.板形控制工艺
B.平面形状控制工艺
C.控制轧制工艺
D.轧后快速冷却工艺
E.热机轧制工艺
答案:CDE
解析:中厚板轧制应采用厚度控制、宽度控制工艺技术,宜采用板形控制和平面形状控制等工艺技术。中厚板生产应采用控制轧制、热机轧制和轧后快速冷却工艺。
26、 下列施工质量检验中属于过程检验的有( )。
A.隐蔽工程检验
B.材料检查验收
C.工艺设备检验
D.单位工程验收
E.分部分验收
答案:AE
27、 进口设备竣工收前首先应完成的工作有( )。
A. 调试检验合格
B.办理报关和通关手续
C.质量证明合格
D.委托第三方检验机构
E.设备商检合格
答案:BE
28、 发电机转子穿装前,必须完成的工序有( )。
A.定子已找正
B.轴瓦检查合格
C.氢冷器已安装就位
D.转子气密性试验合格
E.定转子内部清洁无杂物并签证
答案:ABDE
解析:(1)发电机转子穿装前进行单独气密性试验。
(2)发电机转子穿装工作要求:
①必须在完成机务(如支架、千斤顶、吊索等服务准备工作)、电气与热工仪表的各项工作后,会同有关人员对定子和转子进行最后清扫检查,确定其内部清洁、无任何杂物并经签证后方可进行。
②转子穿装要求在定子找正完、轴瓦检查结束后进行。
29、 关于交流照明配电系统要求的说法正确的是( )。
A.最大相负荷不宜大于三相负荷平均值的125%
B.最小相负荷不宜小于三相负荷平均值的85%
C.正常照明的单相分支回路的电流不宜大于16A
D.连接建筑装饰组合灯具回路电流不宜大于25A
E.连接高强度气体放电灯回路电流不宜大于40A
答案:BC
解析:交流照明配电系统要求:
①三相配电干线的各相负荷宜平衡分配,最大相负荷不宜大于三相负荷平均值的115%,最小相负荷不宜小于三相负荷平均值的85%。
②正常照明单相分支回路的电流不宜大于16A,所接光源数或LED 灯具数不宜超过25 个;当连接建筑装饰性组合灯具时,回路电流不宜大于20A,光源数不宜超过60 个;连接高强度气体放电灯的单相分支回路的电流不宜大于25A。
30、 关于焊接试板材料与塔器现场组焊用材的说法正确的是( )
A.试板材料与塔器用材必须具有相同的标准
B.试板材料与塔器用材必须具有相同的标准牌号
C.试板材料与塔器用材必须具有相同的标准厚度
D.试板材料与塔器用材的存储地点必须相同
E.试板材料与塔器用材热处理状态必须相同
答案:ABCE
解析:试板制备的要求
(1)应由施焊塔器的焊工,在与施焊相同的条件下采用与施焊塔器相同的焊接工艺焊接试板。
(2)试板材料应与塔器用材具有相同标准、相同牌号、相同厚度和相同热处理状态。
(3)试板焊接后及时打上焊工钢印代号,经检验员外观检查合格后,打上检验员钢印号。
(4)塔器焊后需热处理时,试件应随焊缝一起进行热处理。
三、案例分析题(共5 题,(一)、(二)、(三)题各20分,(四)、(五)题各30 分)
31、 案例
背景资料:
A 公司承接某办公楼通风与空调工程,该项目冷源采用螺杆式冷水机组,办公区域采用风机盘管加新风系统,会议室及公共大厅采用变风量(VAV)空调系统。
开工前,项目技术负责人组织召开安全技术交底会议,结合施工现场示意图(见图4)重点说明本项目施工过程中可能出现的违反安全规定的行为。

某厂家供应的一批风机盘(200 台)进场时,A 公司随机抽取2 台送检,复验参数包括:功率,供冷量,供热量和风量,监理单位审核复验报告后,指出此次抽样复验不符合规范要求,责令整改,风机盘管重新复验后通过验收。
阀门安装前A 公司完成阀门试验并提交记录至监理工程师审核,经审核发现缺失主干管闸阀试验记录,被要求补充完善,A 公司随即补检闸阀并重新提交试验记录。
通风与空调系统安装完成后,A 公司委托具有调试资质的B 公司进行系统试运行与调试。变风量空调系统调试的测定数据见表4。经调整风阀开度,系统风量达到规范要求。
表4 变风量空调系统测定数据(部分)

在竣工档案编制阶段,A 公司借助AI 技术辅助资料分类归档及合规性检查;发现
一份竣工图章签中字不完整(仅有编制人审核人,现场监理签字),A 公司立即整
改。针对应用AI 技术可能存在的信息泄露风险,A 公司实施信息安全管理措施,
设立信息安全岗位,明确职责分工,实施信息安全教育,确保信息安全状态。
问题
4.1、指出图4 中存在的施工安全隐患
4.2、A 公司重复复验时,应抽取多少台风机盘管送检?还应复检哪些参数
4.3、补检的闸阀应做哪些试验?并说明试验的压力值
4.4、计算表4 中的测量风量与设计风量的偏差(%),哪几项测定数据不符合规范要求?说明理由
4.5、竣工图章还缺少哪些人员签字?信息安全管理措施还应包括哪些?
答案
4.1、答案:(1)人员A 存在高空坠落风险,该人员站在约2.5 米高的移动式脚手架上作业,未正确系挂安全绳,安全绳应高挂低用,不得低挂高用,安全绳应系挂在专设的生命线上,不得系挂在横杆上。脚手架的外侧、斜道两侧、平台的周边应设置栏杆和挡脚板或设置立安全网。
(2)人员B 存在机械伤害与飞溅物伤害风险,该人员在地面使用打磨机,但未佩戴任何个人防护装备,特别是护目镜和手套。脚下有打磨机的线路,存在触电风险。
(3)人员C 未戴安全帽,所在的管道井位置,井口是敞开的,存在人员坠入或物品掉落的隐患,应设置临时盖板或防护栏杆警示。
4.2、答案:(1)200×2%=4 台。所以应抽取4 台风机盘管送检。同一厂家的风机
盘管机组按数量复验2%,不得少于2 台。(2)机组进场施工前,还要对水阻力及噪声等性能参数进行复验。
4.3、答案:(1)应进行壳体强度和阀瓣密封性能试验;(2)壳体强度试验压力为常温条件下公称压力的1.5 倍。严密性试验压力为公称压力的1.1 倍。
4.4、答案:系统总风量调试结果与设计风量的允许偏差为-5%~+10%,(4320-4000)
/4000=0.08=8%,符合要求。变风量空调系统新风量与设计新风量的允许偏差
为0~+10%,(950-1000)/1000=-0.05=-5%,不符合要求。各风口的风量与
设计风量的允许偏差不应大于15%。风口1:(560-500)/500=0.12=12%,符
合要求。风口2:(252-300)/300=0.16=16%,不符合要求。
4.5、答案:(1)竣工图章的签字人还缺少:技术负责人、总监理工程师。(2)
采取下列管理措施:采用先进的安全技术,确保信息安全状态。
32、 案例
背景资料:
A 公司承接某2×350MW 电站工程项目,工程中的2#汽轮发电机组设计安装在主厂房12.6m 高的平台混凝土底座上,汽机房设计有2 台100/25-25.5m 的桥式起重机。A 公司项目部进场时,汽机基础及确体工程已完成。桥式起重机安装及试运行合格,汽机房厂房基础、行车梁及梁下牛腿经设计验算满足起重要求。
发电机定子吊装专项方案:定子运输车辆倒入汽机房设备提升通道、利用汽机房
两台桥式起重机与专用起重扁担梁组合卸车,在地面旋转90°后,提升平台上升500mm 由桥式起重机行走至设备基础上方就位,见下图。
定子卸车及吊装选用两捆公称直径D 为64mm(6×37FC-1770)、长度为20m 的钢丝绳吊索,两弯四股使用,钢丝绳力学性能见下表。
发电机定子(外形尺寸8750×4300×5090mm)和固定器、耳轴的重量196t,计算吊索具重量后,起吊重量为214t。定子同侧吊耳间距2516mm,桥式起重机经过加固,额定起重量达到125t,动载试验可吊110t,施工单位认为大于平均分配的107t。吊装方案被监理工程师制止。
问题
3.1、发电机定子吊装方案是否需要组织专家论证?说明理由。
3.2、计算定子吊装时的吊索所受拉力和吊索安全系数。(计算时,
如果需要动载系数取1.1,不平衡系数取1.2,重力加速度取g=10m/s2)。
3.3、定子吊装的桥式起重机必须办理特种设备的哪些手续?各由哪个单位办理?
3.4、监理工程师的做法是否正确?说明理由
答案
3.1、答案:需要,定子吊装采用双机抬吊,属于非常规起重方法,起重量大于100kN,因此属于超危大工程,需要组织专家论证。
3.2、答案:

3.3、答案:(1)施工告知手续和监督检验。(2)施工告知由直辖市或者设区的市级人民政府负责特种设备安全监督管理部门,监督检验由特种设备安全监督管理部门核准的监督检验机构办理。
3.4、答案:正确,两台起重机的起重能力:125t×2=250t。起吊重量不应超过两台起重机械所允许起吊重量总和的75%。250×75%=187.5t。187.5t<214t,施工单位的方案无法使用。
33、 案例
背景资料:
具有GA1资质的A 公司中标设计压力4.0MPa,管道直径DN600,长度320KM 的天然气长输管道施工总承包合同。
A 公司将工程中处理地质破碎带爆破任务依法分包给有资质的B 公司。开工后,A公司项目部邀请国土资源部门和政府质量监督站工作人员完成项目的交桩工作。
甲供应防腐管(单根12M)经过验收合格后,存放在A 公司项目部料场,堆放见图2,监理工程师巡查后,要求整改。

A 公司项目部对B 公司危险品仓库检查时发现存有硝化甘油800kg,雷酸汞100kg,A 项目部根据计算重大危险源辩识临界量和最大量方法,依据表2 计算了该仓库危险品计算值并对B 公司发出整改通知。
表2 危险化学品名称及临界储存量表

长输管道穿越一级公路施工时,监理工程师巡查发现A 施工人员用内对口器进行管道组对,管道接口在点焊定位后,即撤出内对口器,进行下一管道组对。监理工程师查阅管道焊口无损记录时,只有射线检测记录且全数检测合格,对此监理工程师发出整改通知,A 整改后验收通过。
管道压力试验阶段,A 项目部用2块4.0MPa量程压力表安在管道中段,监理认为有错,责令整改。
问题:
1.1、A 是否有资格成为总承包?现场交桩必须有哪些单位参与?
1.2、如何整改DN600 管堆放问题?计算危险品仓库风险辩识计算值,
判断是否重大危险源?
1.3、A 项目部在长输管道穿一级公路施工应该整改那些内容?
1.4、压力管道测试阶段,监理责令整改是否正确?请说明理由?
答案
1.1、答案:(1)A 有资格成为总承包,GA1 级长输管道。设计压力大于或者等于
4.0MPa(表压)的长输输油、输气管道。(2)线路交桩由设计单位、监理和
施工承包商(A 单位)共同组成交接桩小组,在现场进行交接桩工作,交接桩
过程中要做好交接桩记录。
1.2、答案:(1)管道不允许接触地面,管道与地面的最小距离为0.2m,两端及中部用沙袋衬垫;防腐管的最大堆放层数为2 层,并均匀分布管垛。(2)是重大危险源。根据公式q1/Q1+q2/Q2+…+qn/Qn≥1 式中q1、q2…qn——每种危险化学品实际存在量,单位为吨(t)。Q1、Q2…Qn——各危险化学品相对应的临界量,单位为吨(t)。0.8/1+0.1/0.5=1,计算结果大于等于1,为重大危险源。
1.3、答案:(1)采用内对口器时,根焊道完成后方可将内对口器撤离;(2)除
100%射线探伤外,还需要进行100%自动(或手工)超声波探伤。
1.4、答案:(1)正确。(2)每段试压时的压力表不少于2 块,分别安装在试压管段的首末端。压力表量程为试验压力的1.5~3 倍。
34、 案例
背景资料:
某安装公司承接一大型空分制氧设备安装工程,空分与制氧设备包括;原料、空气过滤加压系统,空气分离系统、产品气体压缩及输送系统和控制系统等。设备布置如图1 所示。

安装公司项目部进场后,编制施工组织设计、施工方案等;施工现场平面布置图绘制内容包括:施工场地状况、施工装置位置、存贮设施;办公用房等位置和面积;供电设施、供水供热设施、排水排污设施和临时施工道路等;安全、消防、保卫和环境保护等设施;相邻的地上,地下既有建筑物及担关环境。
冷箱安装前,进行基础验收检查和复测,重点检查了基础强度、抗压强度、抗渗等级参数;复测基础轴位置、标高、外形尺寸和地脚螺栓位置等。按施工图设置中心标板及标高基准点、使冷箱按设计要求进行安装。
冷箱内阀门和铝镁合金管道在脱脂,安装后,进行强度试验和泄漏量试验。泄漏量试验压力为工作压力,停压12h,在试验压力稳定30min 后,测得管道起点压力1.5MPa,起点温-10°C;终点压力为1.2MPa,终点温变为-53°C、热力学温度T(K)=t(°C)+273.15(°C)
空气与制氧设备在试运行中,可能产生氧气燃爆等危险源。项目部及时进行危险源识别,保证了空气与制氧设备的试运行验收。
问题
2.1、图中的①②分别表示什么设备?施工现场平面布置图还应绘制哪些内容?
2.2、基础验收时还应检查哪几项参数?安装冷箱时应重点控制箱体哪几个参数?
2.3、冷箱内管道脱脂室使用哪种溶剂?计算冷箱内管道的泄漏率,并判断是否合格?
2.4、试运行时,发生氧气燃爆是属于哪种状态的危险源?还有那些危险源与氧气燃爆是相同状态?
答案
2.1、答案:(1)①是分子筛吸附器;②是蒸发器。(2)施工现场平面布置图绘
制内容还包括:加工设施、垂直运输设施。
2.2、答案:(1)还应重点检查抗冻等级及导热系数是否满足设计要求。
(2)重点控制箱体的中心线和垂直度。
2.3、答案:(1)脱脂剂宜选用四氯乙烯或三氯乙烯等溶剂。(2)=[1-(P2×T1)/(P1×T2)]=(1-(1.2+0.1)×263.15/(1.5+0.1)×220.15)=2.88%。泄漏率不合格。
解析:冷箱内管道应做泄漏量试验,试验压力应为工作压力,停压12h,在试验压力稳定30min 后,开始记录起点压力、起点温度,泄漏率不应大于2.5%为合格
2.4、答案:(1)属于紧急状态。(2)火灾、中毒、坍塌、雷击、环境设备的故障等。
35、 案例
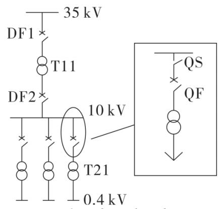
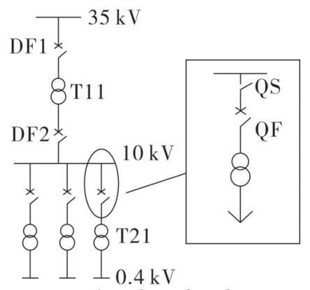
背景资料:
某安装公司承按一工业园区的变配电工程(35kV 变电站、10kV 变电所),进线电压为35kV,变配电系统为二级变电(如下图所示),主要设备:三相油浸式电力变压器(6300kVA,35kV/10kV)、三相干式电力变压器(1250kVA,10kV/0.4kV),断路器、隔离开关、各类电器及柜体等。

安装公司项目部进场后,依据工业园区建设工程的总施工组织设计和总进度计划,编制了变配电工程的施工组织设计、施工方案、施工进度计划等。对项目施工质量进行控制策划,确定质量控制策划的主要项目,确认对影响安全和使用功能的特殊施工过程并进行控制,确保变配电工程按总进度计划供电。
项目部专业技术负责人根据施工图纸、设备说明书、施工方案、作业指导书及技术交底提纲,对施工作业人员进行交底,使电力变压器、开关等设备按设计要求安装及交接试验。交接试验的主要项目:绝缘油试验、绕组连同套管的直流电阻测量、绕组连同套管的绝缘电阻测量、绕组连同套管的交流耐压试验、额定电压下的冲击合闸试验等。

T21 变压器的结构如下图所示,进行交接试验时,安装公司进行了绕组连同的直流电阻测量,数据如下表所示。


变配电工程验收合格后,进行送电前检查:各种交接试验数据符合要求;保护装置整定值符合规定;操作及联动试验正常,变压器冲击合闸时的冲击电流、空载电流、一、二次电压正常。空载运行24h,无异常情况,正式送电。
变配电工程竣工验收合格,项目部整理需要归档的竣工档案资料,包括:一般施工记录、图纸交底记录、设备材料检查安装记录、施工记录、施工检验记录、施工试验记录等。将整理好的档案资料移交给相关单位。
问题
5.1、施工质量控制策划中应确定和明确哪些内容?施工特殊过程确认的关键是确保哪些内容?
5.2、T21 变压器连同绕组的直流电阻测量结果是否合格?见表(5-1),并计算绕组之间的最大差别(%)来说明理由。
5.3、T11 变压器的交流耐压试验应选择多少电压值?如何进行冲击
合闸试验?
5.4、T21 变压器通电合闸时先合哪个开关(见图5-2)?该开关的主要作用是什么?
5.5、项目部整理的施工记录中主要有哪些记录?施工档案应移交给哪些相关单位?
答案
5.1、答案:(1)确定关键工序并明确其质量控制点及控制方法。(2)特殊过程确认的关键是确保风险预防和风险控制。
5.2、答案:合格,(1.35-1.31)/1.31=0.0305=3.05%。
解析:1600kVA 及以下三相变压器,各相绕组之间的差别不应大于4%;无中
性点引出的绕组,线同各绕组之间差别不应大于2%。
5.3、答案:(1)选择68kV。(2)在额定电压下,变压器冲击合闸试验应进行5
次,每次间隔时间宜为5min,应无异常现象。冲击合闸宜在变压器高压侧进
行,进行中性点接地的电力系统试验时,变压器中性点应接地。
5.4、答案:先合QS(隔离开关),作用:在电路中隔离电源或设备,倒闸作业;不能带负荷分合电路,分闸时有明显断开点,确保维修人员的安全。
5.5、答案:(1)主要有隐蔽工程验收记录、施工检查记录、交接验收记录、质量事故处理记录;(2)工程档案的编制不得少于两套,一套应由建设单位保管,另一套(原件)应移交当地城建档案管理机构保存。
二、下载地址
本文附件下载地址
验证码获取教程(如您不知如何操作,请点击)
声明:建筑一生网提供的所有资料均来自互联网下载,纯属学习交流。如侵犯您的版权请联系我们,我们会尽快整改。请网友下载后24小时内删除!
联系方式:发送邮件至 coyis@qq.com
三、历年真题
- 2025年一级建造师《公路工程管理与实务》真题答案与解析
- 2025年一级建造师考试《机电工程管理与实务》真题与解析
- 2025年一级建造师考试《市政公用工程管理与实务》真题及参考答案
- 2025年一级建造师考试《建筑工程管理与实务》真题及答案
- 2025年一级建造师考试《建设工程项目管理》真题及解析
- 2025年一级建造师《建设工程经济》考试真题及答案解析
- 2025年一级建造师考试《建设工程法规及相关知识》真题及答案
- 2024年一级建造师考试《水利水电工程管理与实务》真题与答案
- 2024年一级建造师《公路工程管理与实务》真题答案与解析丨案例分析不完整版丨 建筑一生
- 2024年一级建造师考试《机电工程管理与实务》真题与解析
- 2024年一级建造师考试《市政公用工程管理与实务》真题及参考答案丨缺案例
- 2024年一级建造师考试《建筑工程管理与实务》真题及答案
- 2024年一级建造师考试《建设工程经济》真题及答案
- 2024年一级建造师考试《建设工程项目管理》真题及解析
- 2024年一级建造师考试《建设工程法规及相关知识》真题及答案
- 2022年一级建造师考试《水利水电工程管理与实务》真题与答案
- 2023年一级建造师《水利实务》考试真题及答案解析(校验完整版)
- 2023年一级建造师《公路工程管理与实务》考试真题及答案解析(校验完整版)
- 2023年一级建造师《市政公用工程管理与实务》考试真题及答案解析(网友完整版)
- 2023年一级建造师《 机电工程管理与实务》考试真题及答案解析(校验完整版)
- 2023年一级建造师《建筑工程管理与实务》真题答案及解析
- 2023年一级建造师《建设工程项目管理》真题答案及解析
- 2023年一级建造师《工程法规》考试真题及答案解析(网友回忆完整版)
- 2023年一级建造师《工程经济》考试真题及答案解析(网友回忆完整版)
- 2022年一级建造师《建设工程管理》补考真题收集(2.0)【完整版 学天】








